How To Wire A Solid State Relay - Solid State Relays Selection Guide Engineering360 : Solid state relay ac input circuit.. A relay is basically a switch but not like a switch that's on a wall. Now drill suitable holes to mount four labelled input and output terminals. Relay terminals, how to test ssr relay?, operation of relay, relay coil test, using multimeter, continuity test mode, resistance mode, using power source (battery), nc (normally no (normally open) terminal test: How to select a solid state relay. Let's discuss how to wire a relay and go through the concepts of how a relay works.

Follow along on how to set one up. Ssrs can be used for operating high power loads, through a small input trigger voltage with negligible. As noted above, the key characteristic of a solid state relay is that it requires no moving parts to perform the task of solid state relays vs mechanical relays. Relay terminals, how to test ssr relay?, operation of relay, relay coil test, using multimeter, continuity test mode, resistance mode, using power source (battery), nc (normally no (normally open) terminal test: The diagram below shows how to wire a solid state relay.

Huimultd E Blog How To Wire Pcb Solid State Relay
Huimultd E Blog How To Wire Pcb Solid State Relay from www.huimultd.com
Now drill suitable holes to mount four labelled input and output terminals. This project documents how i used a solid state relay to control 110v devices by modifying an extension cord and connecting a 12 thoughts on esp8266 solid state relay controller project idea. > motors, mechanics, power and cnc. Solid state relays (ssr) are basically electronic devices used to switch resistive or inductive loads with numerous advantages over conventional electromechanical in this video, you'll see a demonstration of the running circuit. This is because there is a voltage drop across the semiconductors inside the solid. My question is, with the separator there, how do i connect the relay to. How to use a relay in a circuit? > how to use a solid state relay.

I'm aware of the electrical code stipulation that all low voltage and high voltage wires must be i was going to use a double gang box from home depot like this one to accomplish this.

Follow along on how to set one up. There are three common types of ssrs, grouped according to the electronic device inside it: Now drill suitable holes to mount four labelled input and output terminals. Semiconductor switch, low voltage control switch. A wall switch relies on someone to flip it which will then control a light or some other type load. A solid state relay or ssr, features these electronic devices. Symbols that represent the constituents in the circuit, and lines that represent the connections together. Bjt, mosfet or thyristor for this article, i will show you how to use an esp32 microcontroller as a … wifi servo controller using wemos d1 mini. How to select a solid state relay. Testing dc controlled ssr relay. Solid state relays (ssr) are electronic switches that use transistors as switching components, with many advantages over traditional electromagnetic through this article you will learn how to wire the mgr/mager solid state relay. However, instead of being switched by human interaction like a physical switch, ssrs are switched electronically. A solid state relay is composed of both static and electromechanical units in which the response is accomplished by the static units.

A solid state relay (ssr) is an alternative to using a classic switch when you want to turn a circuit on or off. Thyristors of scrs, triacs, bipolar junction transistors, bjts, and mosfets provide ideal electronic switches within the solid state relay. It serves the same function as an electromechanical relay, but has no moving parts and therefore results in a longer operational lifetime. Our solid state relay module is a simple and easy way to wire multiple circuits in your car without the hassle of bulky analog relays and fuses. Symbols that represent the constituents in the circuit, and lines that represent the connections together.

An Introduction To Solid State Relays Hackaday
An Introduction To Solid State Relays Hackaday from hackaday.com
My question is, with the separator there, how do i connect the relay to. Texas instruments, ti e2e community: How do solid state relays work? It serves the same function as an electromechanical relay, but has no moving parts and therefore results in a longer operational lifetime. Based on s208t02, it has a maximum output of 250vac/4a, with a switching speed less than 10ms. It is best to add two solid state relays, one for each wire coming from the originating socket. A solid state relay (ssr) is an alternative to using a classic switch when you want to turn a circuit on or off. A wall switch relies on someone to flip it which will then control a light or some other type load.

Solid state relays (ssr) are electronic switches that use transistors as switching components, with many advantages over traditional electromagnetic through this article you will learn how to wire the mgr/mager solid state relay.

I've read several forum posts that say it's not necessary to use a resistor or any other circuitry with ssrs, so i just wired it straight up to the. Ssrs can be used for operating high power loads, through a small input trigger voltage with negligible. Follow along on how to set one up. Based on s208t02, it has a maximum output of 250vac/4a, with a switching speed less than 10ms. This is because there is a voltage drop across the semiconductors inside the solid. How to test ssr, solid state relay, how to test ssr , how to wire ssr. Using a 25 amp relay to switch about. How to select a solid state relay. I just want to understand what is happening and how to avoid it. After construction of the solid state relay on a common pcb, enclose the whole circuit in a very small abs case. You can quickly navigate to the chapters you are interested in through. Solid state relay ac input circuit. > how to use a solid state relay.

A solid state relay is composed of both static and electromechanical units in which the response is accomplished by the static units. A wall switch relies on someone to flip it which will then control a light or some other type load. How to use a relay in a circuit? Solid state relays (ssrs) turn on or off the power being supplied to other devices, in a similar fashion as a physical switch. It is best to add two solid state relays, one for each wire coming from the originating socket.

Ks0265 Keyestudio Four Channel Solid State Relay Module Keyestudio Wiki
Ks0265 Keyestudio Four Channel Solid State Relay Module Keyestudio Wiki from wiki.keyestudio.com
A relay is switched by electrical power and not a. After construction of the solid state relay on a common pcb, enclose the whole circuit in a very small abs case. Ssr or solid state relays are high power electrical switches that work without involving mechanical contacts, instead they use solid state semiconductors like mosfets for switching an electrical load. I'm aware of the electrical code stipulation that all low voltage and high voltage wires must be i was going to use a double gang box from home depot like this one to accomplish this. As noted above, the key characteristic of a solid state relay is that it requires no moving parts to perform the task of solid state relays vs mechanical relays. A solid state relay or ssr, features these electronic devices. Testing dc controlled ssr relay. My question is, with the separator there, how do i connect the relay to.

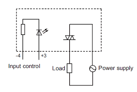
Wiring diagrams contain a couple of things:

How to select a solid state relay. Industrial strength, how to power your thermostat using solid state relays, (2016, august 11) retrieved from. Semiconductor switch, low voltage control switch. However, instead of being switched by human interaction like a physical switch, ssrs are switched electronically. I just want to understand what is happening and how to avoid it. How to test ssr, solid state relay, how to test ssr , how to wire ssr. There are three common types of ssrs, grouped according to the electronic device inside it: The ssr is triggered by an external voltage applied across its control terminal. A wiring diagram is a schematic which uses abstract pictorial symbols to exhibit each of the interconnections of components inside a system. > motors, mechanics, power and cnc. Solid state relays (ssrs) turn on or off the power being supplied to other devices, in a similar fashion as a physical switch. Relay terminals, how to test ssr relay?, operation of relay, relay coil test, using multimeter, continuity test mode, resistance mode, using power source (battery), nc (normally no (normally open) terminal test: Follow along on how to set one up.

By